Запасные части ЧТЗ Запасные части ЧТЗ
Воркута
Например:
Актобе
Алдан
или
Выбрать автоматически
Актобе
Алдан
Алматы
Алчевск
Архангельск
Астана
Астрахань
Атырау
Баку
Балашиха
Барнаул
Белгород
Бердянск
Бишкек
Владивосток
Владикавказ
Воркута
Воронеж
Горловка
Грозный
Донецк
Екатеринбург
Иваново
Ижевск
Иркутск
Казань
Калининград
Каменск-Уральский
Караганда
Каховка
Кемерово
Киров
Комсомольск-на-Амуре
Костанай
Краснодар
Красноярск
Красный луч
Ленск
Луганск
Магадан
Магнитогорск
Макеевка
Махачкала
Мелитополь
Минск
Мирный (Якутия)
Москва
Мурманск
Нерюнгри
Нижневартовск
Нижний Новгород
Нижний Тагил
Новая каховка
Новокузнецк
Новосибирск
Новый Уренгой
Норильск
Ноябрьск
Нур-Султан
Омск
Оренбург
Ош
Павлодар
Пермь
Петрозаводск
Петропавловск
Петропавловск-Камчатский
Псков
Ростов-на-Дону
Салехард
Самара
Санкт-Петербург
Саратов
Севастополь
Семей
Симферополь
Сочи
Ставрополь
Сургут
Сыктывкар
Тараз
Ташкент
Токмак
Томск
Тында
Тюмень
Ульяновск
Усинск
Усть-Каменогорск
Уфа
Хабаровск
Ханты-Мансийск
Херсон
Челябинск
Чита
Шымкент
Экибастуз
Энергодар
Южно-Сахалинск
Якутск
Ваш город
Воркута
Войти
Запасные части к тракторам на одном сайте
+7 (932) 303-00-10
+7 (932) 303-00-10
г. Воркута, Деповской переулок, д. 2, пом. 4
Пн-Пт: 9:30-18:30 Cб-Вс: Выходной
Отправить заявку


Сервомеханизм трансмиссии на Т-170


/
с НДС 20%
Описание
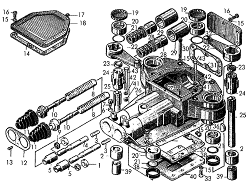
Сервомеханизм трансмиссии Т-170
Поз.НаименованиеАртикулКол-во в сборке
0Корпус сервомеханизма21-17-108СП1
0Муфта17309СП2
0Сервомеханизм 21-17-4СП1
1Кольцо173292
2Втулка50-11-372
3Пружина 700-38-23192
4Золотник 21-17-106СП2
5Втулка21-17-442
6Шайба12ОТ65Г092
7Винт352022
8Пружина700-38-27232
9Манжета 3-25x13-62
10Толкатель173852
11Чехол 405892
12Крышка 174981
13БолтМ6Х16.58.0192
14Прокладка 700-40-59591
15Шайба10ОТ65Г0921
16БолтМ10Х30.58.01915
17Кольцо 409122
18Крышка21-17-27-11
19Заглушка 173112
20Втулка21-17-224
21Кольцо 042-050-46-2-24
22Рычаг174822
23Заглушка02951
24Муфта 173101
25Валик50-17-252
26Корпус21-17-37-11
27Штифт3222211
28Гильза17303-12
29Поршень 21-17-212
30БолтМ10-6gХ130.58.0192
31Прокладка 407141
32Крышка50-17-51
33БолтМ10Х25.58.0198
33БолтМ10Х25.58.0194
34Прокладка 407361
35Пробка3712
36Шпонка 700-34-20292
37Прокладка 407251
38Кольцо-прокладка 700-40-45322
39Втулка50-11-362
40Крышка21-17-25-11
41Втулка 51-70-23
42Шайба10ОТ65Г095
43БолтМ10-6gХ120.58.0193
Сервомеханизм трансмиссии