Запасные части ЧТЗ Запасные части ЧТЗ
Воркута
Например:
Актобе
Алдан
или
Выбрать автоматически
Актобе
Алдан
Алматы
Алчевск
Архангельск
Астана
Астрахань
Атырау
Баку
Балашиха
Барнаул
Белгород
Бердянск
Бишкек
Владивосток
Владикавказ
Воркута
Воронеж
Горловка
Грозный
Донецк
Екатеринбург
Иваново
Ижевск
Иркутск
Казань
Калининград
Каменск-Уральский
Караганда
Каховка
Кемерово
Киров
Комсомольск-на-Амуре
Костанай
Краснодар
Красноярск
Красный луч
Ленск
Луганск
Магадан
Магнитогорск
Макеевка
Махачкала
Мелитополь
Минск
Мирный (Якутия)
Москва
Мурманск
Нерюнгри
Нижневартовск
Нижний Новгород
Нижний Тагил
Новая каховка
Новокузнецк
Новосибирск
Новый Уренгой
Норильск
Ноябрьск
Нур-Султан
Омск
Оренбург
Ош
Павлодар
Пермь
Петрозаводск
Петропавловск
Петропавловск-Камчатский
Псков
Ростов-на-Дону
Салехард
Самара
Санкт-Петербург
Саратов
Севастополь
Семей
Симферополь
Сочи
Ставрополь
Сургут
Сыктывкар
Тараз
Ташкент
Токмак
Томск
Тында
Тюмень
Ульяновск
Усинск
Усть-Каменогорск
Уфа
Хабаровск
Ханты-Мансийск
Херсон
Челябинск
Чита
Шымкент
Экибастуз
Энергодар
Южно-Сахалинск
Якутск
Ваш город
Воркута
Войти
Запасные части к тракторам на одном сайте
+7 (932) 303-00-10
+7 (932) 303-00-10
г. Воркута, Деповской переулок, д. 2, пом. 4
Пн-Пт: 9:30-18:30 Cб-Вс: Выходной
Отправить заявку


Кабина подетально на Т-170


/
с НДС 20%
Описание
Кабина Т-170 подетально
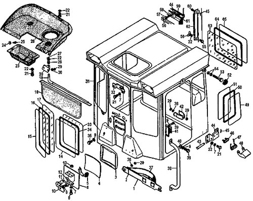
Поз.Номер по каталогуНаименование детали
050-59-183СПЗащелка
050-59-168СПЗеркало
050-59-24-01СПКабина
050-59-24-02СПКабина
050-59-24СПКабина
021-59-112СПКозырек светозащитный
021-59-114СПКронштейн
150-59-107Кронштейн
250-59-154Шлевка
324-59-153Ободок
424-59-148Зеркало
5700-40-3915-03Уплотнитель
650-59-11ОСПКорпус
78Т 65Г 09Шайба
8М8х35.58.019Болт
910 ОТ 65Г 09Шайба
1050-59-203СПОпора
11М10x25.58.019Болт
1224-59-154Прижим
13М8-6.019Гайка
1424-59-228-04Кант
1524-59-228-03Кант
1624-59-222-03Уплотнитель
17Стекло 24-59-197
1724-59-197-1Стекло
1821-59-115СПКозырек
1921-59-113СПОсь
2021-59-77Кронштейн
21М8х25.88.019Болт
2231386-1Шайба
23700-42-2299Кожух
24700-31-2353Шайба
25700-35-2007Шуруп
2650-59-160СПКожух
272x14.019Шплинт
28700-38-2360Пружина
29М6-6.019Гайка
306Т 65Г 09Шайба
3124-59-180СПКаркас
3224-59-204СППланка
33Стекло 24-59-198
3324-59-198-1Стекло
3424-59-222-04Уплотнитель
35М10x20.58.019Болт
3631358Шайба
37700-40-6814Ремень
3850-59-147Поручень
39М10x30.58.019Болт
4031308Шайба
4031308-1Шайба
4124-59-447Защелка
4250-59-110Клипса
43700-47-96Валик
4450-59-156Корпус
452,5x14Шплинт
46591044Амортизатор
47700-38-2486Пружина
4824-59-397Защелка
4924-59-228-02Кант
5024-59-222-02Уплотнитель
51Стекло 24-59-196
5124-59-196-1Стекло
52700-40-5228Накладка
5350-59-117СПУпор
54М1 2-6.019Гайка
55М8х25.58.35.019Болт
5605573-1Гайка
5731365-1Шайба
58700-28-2121Болт откидной
596465Валик
60591127Валик
61700-40-3915Уплотнитель
61700-40-7089Уплотнитель
6224-59-176Кулиса
63Стекло 24-59-195
6324-59-195-1Стекло
6424-59-222-01Уплотнитель
6524-59-228-01Кант
Кабина подетально