Запасные части ЧТЗ Запасные части ЧТЗ
Воркута
Например:
Актобе
Алдан
или
Выбрать автоматически
Актобе
Алдан
Алматы
Алчевск
Архангельск
Астана
Астрахань
Атырау
Баку
Балашиха
Барнаул
Белгород
Бердянск
Бишкек
Владивосток
Владикавказ
Воркута
Воронеж
Горловка
Грозный
Донецк
Екатеринбург
Иваново
Ижевск
Иркутск
Казань
Калининград
Каменск-Уральский
Караганда
Каховка
Кемерово
Киров
Комсомольск-на-Амуре
Костанай
Краснодар
Красноярск
Красный луч
Ленск
Луганск
Магадан
Магнитогорск
Макеевка
Махачкала
Мелитополь
Минск
Мирный (Якутия)
Москва
Мурманск
Нерюнгри
Нижневартовск
Нижний Новгород
Нижний Тагил
Новая каховка
Новокузнецк
Новосибирск
Новый Уренгой
Норильск
Ноябрьск
Нур-Султан
Омск
Оренбург
Ош
Павлодар
Пермь
Петрозаводск
Петропавловск
Петропавловск-Камчатский
Псков
Ростов-на-Дону
Салехард
Самара
Санкт-Петербург
Саратов
Севастополь
Семей
Симферополь
Сочи
Ставрополь
Сургут
Сыктывкар
Тараз
Ташкент
Токмак
Томск
Тында
Тюмень
Ульяновск
Усинск
Усть-Каменогорск
Уфа
Хабаровск
Ханты-Мансийск
Херсон
Челябинск
Чита
Шымкент
Экибастуз
Энергодар
Южно-Сахалинск
Якутск
Ваш город
Воркута
Войти
Запасные части к тракторам на одном сайте
+7 (932) 303-00-10
+7 (932) 303-00-10
г. Воркута, Деповской переулок, д. 2, пом. 4
Пн-Пт: 9:30-18:30 Cб-Вс: Выходной
Отправить заявку


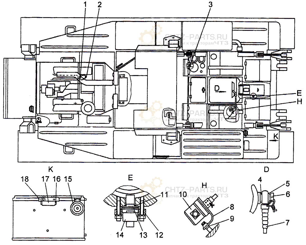
Установка низковольтного электрооборудования на ДЭТ-320


/
с НДС 20%
Описание
Установка низковольтного электрооборудования ДЭТ-320
Поз. Обозначение Наименование Кол.
- 749-10-4CΠ Установка низковольтного электрооборудования
1 - Коммутатор транзисторный 9301.3734 1
2 - Датчик аварийного давления масла MM 111В 1
3 - Датчик указателя давления масла MM 370 1
4 - Панель соединительная ПС-200 1
5 - Кольцо14×20 1
6 700-41-3415 Штуцер 1
7 - Датчик наличия воды 113845020 2


Установка низковольтного электрооборудования ДЭТ-320

Поз. Обозначение Наименование Кол.
1 - Датчик сигнализатора температуры TM 111-01 1
2 - Датчик температуры ТМ-100В 1
3 - Датчик аварийного давления масла ММ-126Д 1
4 - Кольцо 12×18 1
5 - Кольцо 16×20 1
6 700-76-6 Штуцер 1
7 - Шланг гибкий L=650mm 1
8 748-10-390 Кронштейн 1
9 748-10-389 Амортизатор 2
10 - Приемник давления ПД-1-1,5 MPa-27B 1
11 700-40-3208 Кольцо 1
12 - Стакан 1
13 - Комплект регулировочных шайб 5
14 - Датчик скорости 11.3843А 1
15 - Сигнал звуковой безрупорный С313-24В низкого тона 2
16 749-10-170CΠ Кронштейн 1
17 - Фонарь освещения номерного знака ФП 131Б с лампой А24-5 1
18 749-10-79 Крышка 1
Установка низковольтного электрооборудования