Запасные части ЧТЗ Запасные части ЧТЗ
Воркута
Например:
Актобе
Алдан
или
Выбрать автоматически
Актобе
Алдан
Алматы
Алчевск
Архангельск
Астана
Астрахань
Атырау
Баку
Балашиха
Барнаул
Белгород
Бердянск
Бишкек
Владивосток
Владикавказ
Воркута
Воронеж
Горловка
Грозный
Донецк
Екатеринбург
Иваново
Ижевск
Иркутск
Казань
Калининград
Каменск-Уральский
Караганда
Каховка
Кемерово
Киров
Комсомольск-на-Амуре
Костанай
Краснодар
Красноярск
Красный луч
Ленск
Луганск
Магадан
Магнитогорск
Макеевка
Махачкала
Мелитополь
Минск
Мирный (Якутия)
Москва
Мурманск
Нерюнгри
Нижневартовск
Нижний Новгород
Нижний Тагил
Новая каховка
Новокузнецк
Новосибирск
Новый Уренгой
Норильск
Ноябрьск
Нур-Султан
Омск
Оренбург
Ош
Павлодар
Пермь
Петрозаводск
Петропавловск
Петропавловск-Камчатский
Псков
Ростов-на-Дону
Салехард
Самара
Санкт-Петербург
Саратов
Севастополь
Семей
Симферополь
Сочи
Ставрополь
Сургут
Сыктывкар
Тараз
Ташкент
Токмак
Томск
Тында
Тюмень
Ульяновск
Усинск
Усть-Каменогорск
Уфа
Хабаровск
Ханты-Мансийск
Херсон
Челябинск
Чита
Шымкент
Экибастуз
Энергодар
Южно-Сахалинск
Якутск
Ваш город
Воркута
Войти
Запасные части к тракторам на одном сайте
+7 (932) 303-00-10
+7 (932) 303-00-10
г. Воркута, Деповской переулок, д. 2, пом. 4
Пн-Пт: 9:30-18:30 Cб-Вс: Выходной
Отправить заявку


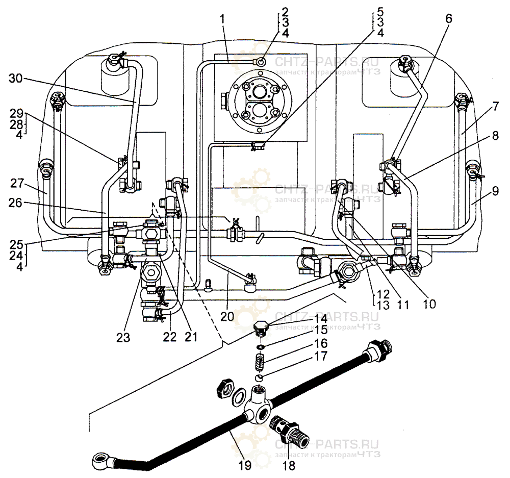
Система управления и смазки трансмиссии на ДЭТ-320


/
с НДС 20%
Описание
Система управления и смазки трансмиссии ДЭТ-320
Поз. Обозначение Наименование Кол.
- 749-60-2СП Система управления и смазки трансмиссии -
1 700-28-2457 Болт поворотного угольника 3
2 - Кольцо 12×16 8
3 - Проволока КО 1,6 5,6 M
4 700-41-3339 Хомутик 1
5 700-37-2161 Пробка 1
6 - Кольцо 22×30 1
7 - Проволока КО 1,4 0,5 M
8 748-60-180СП Гидроцикпон 1
9 700-41-3402 Штуцер 2
10 - Кольцо 30×36 8
11 748-60-380 Штуцер 1
12 46588 Кольцо 1
13 748-60-384 Корпус 1
14 748-60-172 Ввертыш 1
15 46764 Кольцо 2
16 748-60-287СП Бункер 1
17 - Кольцо 24×30 1
18 700-37-2234 Пробка 1
19 748-60-291СП Труба 1
20 700-41-3387 Болт поворотного угольника 2
21 748-60-191 Колпачок 1
22 - Кольцо 33×39 3
23 700-30-316 Гайка 1
24 748-60-197 Винт 1
25 748-60-343 Корпус 1
26 700-38-889 Пружина 1
27 748-60-182 Золотник 1
28 748-60-188 Дроссель 1
29 700-37-142 Пробка 1
30 748-60-276СП Hacoc 1
31 700-40-4451 Кольцо 1
32 748-60-911 Болт 10
33 - Шайба 10.02 10
34 748-60-89;
748-60-89-1
Прокладка 1
35 748-60-164 Валик 1
36 749-60-106СП Труба 1
37 748-60-241СП Клапан 1
38 700-42-2011 Проволока 1


Система управления и смазки трансмиссии ДЭТ-320

Поз. Обозначение Наименование Кол.
1 748-60-242СП Труба 1
2 700-28-2457 Болт поворотного угольника 2
3 - Кольцо 12×16 8
4 - Проволока КО 1,6 5,6 M
5 700-55-49 Болт 1
6 749-60-101СП Труба 1
7 748-60-145СП Трубопровод 1
8 748-60-154СП Труба 1
9 748-60-236СП Труба 1
10 749-60-104СП Труба 1
11 749-60-103СП Труба 1
12 700-28-911 Болт 10
13 - Шайба 10.02 10
14 700-37-128 Пробка 1
15 - Шайба 6.01.019 3
16 700-38-804 Пружина 1
17 - Шарик Б16-100 1
18 748-60-185 Болт -
19 748-60-199СП Трубопровод 1
20 749-60-105СП Труба 1
21 700-40-7415 Кольцо 1
22 749-60-102СП Труба 1
23 748-60-238СП Труба 1
24 - Кольцо 33×39 2
25 700-30-316 Гайка 1
26 748-60-153СП Труба 1
27 748-60-269СП Труба 1
28 748-60-130 Штуцер 22
29 - Кольцо 20×26 44
30 748-60-148СП Труба 1
Система управления и смазки трансмиссии