Запасные части ЧТЗ Запасные части ЧТЗ
Воркута
Например:
Актобе
Алдан
или
Выбрать автоматически
Актобе
Алдан
Алматы
Алчевск
Архангельск
Астана
Астрахань
Атырау
Баку
Балашиха
Барнаул
Белгород
Бердянск
Бишкек
Владивосток
Владикавказ
Воркута
Воронеж
Горловка
Грозный
Донецк
Екатеринбург
Иваново
Ижевск
Иркутск
Казань
Калининград
Каменск-Уральский
Караганда
Каховка
Кемерово
Киров
Комсомольск-на-Амуре
Костанай
Краснодар
Красноярск
Красный луч
Ленск
Луганск
Магадан
Магнитогорск
Макеевка
Махачкала
Мелитополь
Минск
Мирный (Якутия)
Москва
Мурманск
Нерюнгри
Нижневартовск
Нижний Новгород
Нижний Тагил
Новая каховка
Новокузнецк
Новосибирск
Новый Уренгой
Норильск
Ноябрьск
Нур-Султан
Омск
Оренбург
Ош
Павлодар
Пермь
Петрозаводск
Петропавловск
Петропавловск-Камчатский
Псков
Ростов-на-Дону
Салехард
Самара
Санкт-Петербург
Саратов
Севастополь
Семей
Симферополь
Сочи
Ставрополь
Сургут
Сыктывкар
Тараз
Ташкент
Токмак
Томск
Тында
Тюмень
Ульяновск
Усинск
Усть-Каменогорск
Уфа
Хабаровск
Ханты-Мансийск
Херсон
Челябинск
Чита
Шымкент
Экибастуз
Энергодар
Южно-Сахалинск
Якутск
Ваш город
Воркута
Войти
Запасные части к тракторам на одном сайте
+7 (932) 303-00-10
+7 (932) 303-00-10
г. Воркута, Деповской переулок, д. 2, пом. 4
Пн-Пт: 9:30-18:30 Cб-Вс: Выходной
Отправить заявку


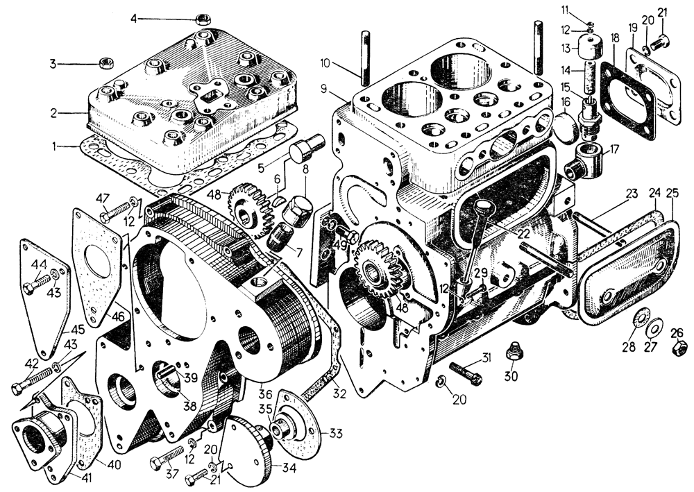
Блок с кожухом и головкой пускового двигателя на Т-130


/
с НДС 20%
Описание
Блок с кожухом и головкой на Т-130
# Номер запчасти Наименование детали Кол-во в сборке
- 17-01-123СП Опора 1
- 17-01-158СП Корпус распределительных шестерен 1
- 01265СП Сапун 1
1 40944СП Прокладка 1
2 02240 Головка цилиндров 1
3 3010 Гайка М12Х1,25.6 9
4 30209 Гайка 2
5 17-01-95 Ось 1
6 3429 Шпонка 2
7 01193 Горловина 1
8 01194 Крышка горловины 1
9 17-01-1 ПСП Блок-картер 1
10 2997 Шпилька 11
11 - Гайка М6.6.019 1
12 - Шайба 6Т 65Г 09 11
13 01200 Крышка 1
14 - Набивка 1
15 01201СП Корпус сапуна 1
16 01196 Заглушка 1
17 01191 Колено сапуна 1
18 40863 Прокладка 1
19 01510 Крышка задняя 1
20 - Шайба 10ОТ 65 Г 09 7
21 - Болт М10Х22.58.019 7
22 01506-2СП Масломерная линейка 1
23 2994 Шпилька 2
24 40225 Прокладка 1
25 01187 Крышка люка 1
26 - Гайка M10.6.019 2
27 31308 Шайба 2
28 700-40-7058 Прокладка 2
29 28466 Болт М6х30 1
30 371 Пробка КГ ¼ 2
31 04207 Болт 1
32 700-40-6745 Прокладка 1
33 700-40-3163 Прокладка 1
34 17-01-49 9 Опора 1
35 17-01-50 9 Втулка 1
36 17-01-91 Корпус распределительных шестерен 1
37 - Болт М6Х45.58.019 6
38 01514 8 Втулка 2
39 3228 Штифт 2
40 700-40-6966 Прокладка 1
41 17-01-100 Кронштейн 1
42 - Болт M8X20.58.019 3
43 - Шайба 8Т 65Г 09 4
44 - Болт М8Х 90.058.019 1
45 17-01-101 Крышка 1
46 700-40-6965 Прокладка 1
47 - Болт М6Х60.58.019 4
48 10497 Шестерня 2
49 - Болт М10Х25.58.019 1
8 Отдельно не поставляется, заказывать ремонтные комплект.
9 Отдельно не поставляется, заказывать 17-01-123СП.
Блок с кожухом и головкой пускового двигателя